- Главная
- Каталог
- Технологическая оснастка
- Поворотные столы с ЧПУ
- Столы 4-5 оси
- Наклонно-поворотный стол с ЧПУ NFA-320H
Наклонно-поворотный стол с ЧПУ NFA-320H
Наклонно-поворотный стол с ЧПУ NFA-320H
Индивидуально подберём поворотный стол под ваш станок и для решения вашей задачи!
Поворотный стол NFA-320H с ЧПУ, 5-осевая версия:
N — Червячная зубчатая передача
F — 5 осей
A — Новая оптимизированная модель
320 — Размер стола
H — Гидравлический тормоз
Преимущества:
- Гидравлический тормоз с радиальными и осевыми подшипниками.
- Зацепление зубьев на полную глубину осуществляется двухзаходным червячным приводом, что обеспечивает более высокий КПД и меньший боковой зазор.
- Есть возможность заказать поворотный стол с наклоняющим двигателем, устанавливаемым с задней стороны стола
- Объединенный шпиндель со встроенным радиально осевым подшипником

ПОВОРОТНЫЙ СТОЛ УВЕЛИЧИВАЕТ ЦЕННОСТЬ И ПРОИЗВОДИТЕЛЬНОСТЬ СТАНКОВ.
1. Рабочий стол.
Преимущества системы позиционирования:
Высокая точность при установке зажима в центральном отверстии рабочего стола.
Отверстие большого диаметра позволяет устанавливать многопотоковый маслораспределитель.
2. Система тормозных барабанных дисков.
При высоком давлении гидравлической системы отсутствует утечки масла из тормозной системы, что обеспечивает увеличенный крутящий момент при зажиме.
Термическая обработка и шлифовка тормозного диска обеспечивают высокую износостойкость и высокую степень твердости. Так же все вышеуказанное обеспечивает большую силу зажима.
Тормозной диск имеет точную округлую и цилиндрическую форму, что позволяет минимизировать смещение вращающегося центра и ошибки позиционирования при торможении.
3. Шпиндельный узел.
Размер роликов увеличен на 20-30%
Размер направляющей качения увеличен на 70-80%
Данные направляющие значительно толще, чем направляющие прочих производителей, жесткость в тяжелых режимах обработки значительно выше.
Минимальное количество составных узлов в механизме обеспечивает минимальные отклонения при сборке узла, высокую точность индексации и повторяемость.
4. Червячный вал/Червячное колесо.
Поворотный стол походит для работы в тяжелых режимах за счет двухнаправляющего червячного винта и увеличенной глубины зубьев.
Червячный вал вращается при помощи специально сконструированного механизма, который состоит из радиальных подшипников типа RN и фланца, установленного между втулкой и гайкой. Отверстие втулки в данной конструкции является высокопрочной и не подвержено износу. Результат - увеличенная концентричность червячного вала и высокая точность позиционирования.
Червячный вал устанавливается в нижнюю часть поворотного стола и полностью погружен в масло, что обеспечивает полную смазку механизма и увеличенный срок службы.
5. Водонепроницаемая конструкция.
Электронные узлы защищены герметичным кожухом, О-образное кольцо предотвращает попадания жидкости СОЖ к двигателю.
СОВМЕСТИМОСТЬ СО СТАНКАМИ
Совестим с многими мировыми производителями станков. Производитель организует строгий контроль качества на всех этапах производства, и благодаря продуманной конструкции обеспечивается простая интеграция со всеми станочными системами.
У нас можно уточнить техническую совместимость вашего оборудования с поворотным столом.
-
Индивидуально подберём поворотный стол под ваш станок и для решения вашей задачи!
Поворотный стол NFA-320H с ЧПУ, 5-осевая версия:
N — Червячная зубчатая передача
F — 5 осей
A — Новая оптимизированная модель
320 — Размер стола
H — Гидравлический тормоз
Преимущества:
- Гидравлический тормоз с радиальными и осевыми подшипниками.
- Зацепление зубьев на полную глубину осуществляется двухзаходным червячным приводом, что обеспечивает более высокий КПД и меньший боковой зазор.
- Есть возможность заказать поворотный стол с наклоняющим двигателем, устанавливаемым с задней стороны стола
- Объединенный шпиндель со встроенным радиально осевым подшипником

ПОВОРОТНЫЙ СТОЛ УВЕЛИЧИВАЕТ ЦЕННОСТЬ И ПРОИЗВОДИТЕЛЬНОСТЬ СТАНКОВ.
1. Рабочий стол.
Преимущества системы позиционирования:
Высокая точность при установке зажима в центральном отверстии рабочего стола.
Отверстие большого диаметра позволяет устанавливать многопотоковый маслораспределитель.
2. Система тормозных барабанных дисков.
При высоком давлении гидравлической системы отсутствует утечки масла из тормозной системы, что обеспечивает увеличенный крутящий момент при зажиме.
Термическая обработка и шлифовка тормозного диска обеспечивают высокую износостойкость и высокую степень твердости. Так же все вышеуказанное обеспечивает большую силу зажима.
Тормозной диск имеет точную округлую и цилиндрическую форму, что позволяет минимизировать смещение вращающегося центра и ошибки позиционирования при торможении.
3. Шпиндельный узел.
Размер роликов увеличен на 20-30%
Размер направляющей качения увеличен на 70-80%
Данные направляющие значительно толще, чем направляющие прочих производителей, жесткость в тяжелых режимах обработки значительно выше.
Минимальное количество составных узлов в механизме обеспечивает минимальные отклонения при сборке узла, высокую точность индексации и повторяемость.
4. Червячный вал/Червячное колесо.
Поворотный стол походит для работы в тяжелых режимах за счет двухнаправляющего червячного винта и увеличенной глубины зубьев.
Червячный вал вращается при помощи специально сконструированного механизма, который состоит из радиальных подшипников типа RN и фланца, установленного между втулкой и гайкой. Отверстие втулки в данной конструкции является высокопрочной и не подвержено износу. Результат - увеличенная концентричность червячного вала и высокая точность позиционирования.
Червячный вал устанавливается в нижнюю часть поворотного стола и полностью погружен в масло, что обеспечивает полную смазку механизма и увеличенный срок службы.
5. Водонепроницаемая конструкция.
Электронные узлы защищены герметичным кожухом, О-образное кольцо предотвращает попадания жидкости СОЖ к двигателю.
СОВМЕСТИМОСТЬ СО СТАНКАМИ
Совестим с многими мировыми производителями станков. Производитель организует строгий контроль качества на всех этапах производства, и благодаря продуманной конструкции обеспечивается простая интеграция со всеми станочными системами.
У нас можно уточнить техническую совместимость вашего оборудования с поворотным столом.
-
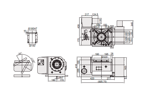
Страна производстваТайваньДиаметр рабочего стола, мм320Диаметр центрального отверстия, мм180Н7Высота рабочего стола (по вертикали), мм255Высота рабочего стола (по горизонтали), мм355Ширина Т-образного паза, мм14Н7Ширина сухаря, мм18Тип привода и давления, Тип/МПаГидравл./5,0Передаточное число R1:120Передаточное число T1:120Максимальная скорость рабочего стола R, мин-122.2Максимальная скорость рабочего стола T, мин-116.6Инерционность при нагрузке (WD2/8), кг.м22.6Разрешение, град0.001Точность индексации, сек15Повторяемость, сек6Угол наклона, град.-30∼+120Вес нетто (без серводвигателя), кг470Нагрузка на стол (горизонтальное положение), кг200Нагрузка на стол (в наклоне), кг150Допустимая несбалансированная сила, Нм130Допустимый крутящий момент, Н*м780
